About Us more
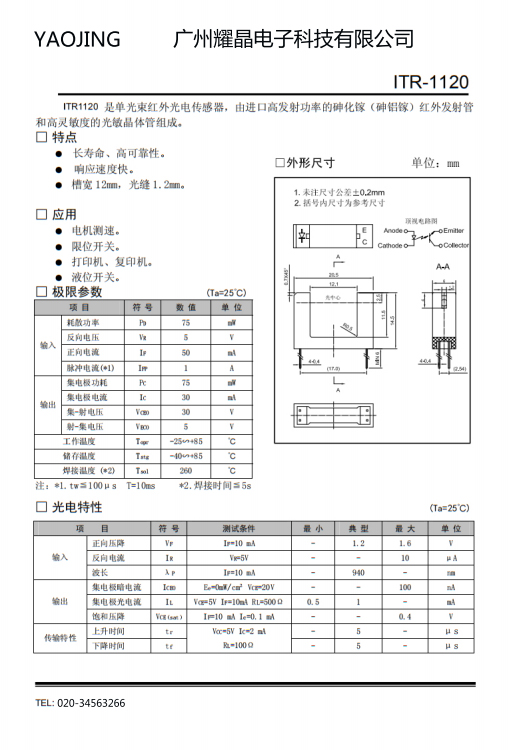
Guangzhou Yao Jing Electronic Technology Co., Ltd.,China Everlight distributors, the main sales of optoelectronic components,including:SMD LED,LED Lamp,Lighting LED,UV LED,COB LED,Flash LED, Automotive LED,Digital Displays LED,ir Emitter,Infrared Receiver,Infrared Receiver Module,Optic Fiber Device-Photo Link,Optical Switch,Ambient Light Sensor,Proximity Sensor,Color Sensor,Photo Coupler,IGBT,SSR products are widely used in various fields of application:automotive instrumentation, medical equipment, Electronic toys,energy-efficient lighting,computer peripherals,home appliances, communications equipment!Companies serving the enterprise,providing engineering and technical support,effective customer service;lighting products,computer peripherals,automotive instrumentation, robotics and other fields for larger-scale customer service.










